English
|
�Wվ�؈D
|
�O�����
|
�ղر�վ
�Wվ���
��˾����
��I(y��)�s�u
�M���Y��
��I(y��)�D��
��I(y��)��
�|������
��˾�śr
��˾�ӑB(t��i)
�ИI(y��)��
�aƷ��
���YӍ
�x�V�O��ҕ�l
����x�V�O��
�����x�V�O��
�����x�V�O��
ϴ�V�ּ��O��
�Y���O��
ݔ���x�V�O��
���x�x�V�O��
���x�x�V�O��
�����x�V�O��
�x�V�O������
�r��V�x�V�O��
ɳ��V�x�V�O��
ɰ��V�x�V�O��
�u�V�x�V�O��
�a�V�x�V�O��
�t�F�V�x�V�O��
�g≵V�x�V�O��
�Ӣ�V�x�V�O��
���F�V�x�V�O��
���F�V�x�V�O��
�i�V�x�V�O��
��F�V�x�V�O��
��ɰ�x�F�O��
ϡ���V�x�V�O��
�~�V�x�V�O��
�f�V�x�V�O��
��ú���x�F�O��
Ξʯ�V�x�V�O��
�R�V�x�V�O��
����x�V�O��
�x�V��ˇ����
���g�ęn
�aƷ֪�R
�x�V�O�似�g
�x�V���̰���
���ճ��Z
��������
����ָ��
����ھ�
�ھ�����
�Q����
�ھ�����
��������
ϵ�҂�
���YӍ
��˾�ӑB(t��i)
�ИI(y��)��
�aƷ��
�aƷ���
����x�V�O��
�����x�V�O��
�����x�V�O��
ϴ�V�ּ��O��
�Y���O��
ݔ���x�V�O��
���x�x�V�O��
���x�x�V�O��
�����x�V�O��
�ИI(y��)��
����λ�ã�
�� �
��
���YӍ
��
�ИI(y��)��
�� ����
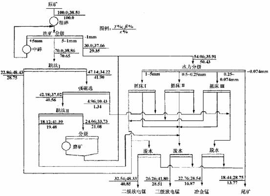
�����i�V���x-����-��̭-�u���Ϲ�ˇ����
TAG���C �O�� ���� �O�� �u ���� �� �� �� �� ���
���r�g��2013/10/19 �g�[������
�����i�V�����i�V�x�V��ˇ����
��һƪ��
��һƪ��
���P�aƷ
����>>
���P����
����>>
����ʡ���\�x�V�O������˾ �MICP��1200527̖
�gӭ�M�빫˾�پW���������ĺϷ����治���ַ���Ո��Ҫ���ű�վ������ϵ��ʽ�����ð����\�V�C�IJ������������аl(f��)�FՈϵ�ھ��ͷ��e��
RSS/XML
�M�ݾW�j��˾
�����y(t��ng)Ӌ�� �䰸̖��
�MICP��12005272̖-2
插插综合网站
|
欧美色视
|
99热国产欧美
|
激情一区二区
|
亚洲国产高清在线播放
|